Nos hemos consolidado en la actualidad como una de las pocas empresas del país capaz de llevar a cabo la elaboración de la ingeniería conceptual, básica y de detalle de una instalación.
Está a nuestro alcance diseñar y producir con recursos financieros y físicos propios, los equipos para dicha instalación con tecnología propietaria, y ejecutar la correspondiente obra electromecánica llave en mano.
Cuidamos el medio ambiente, basándonos para ello en los mejores recursos humanos posibles y en una plataforma tecnológica de última generación. Es el cumplimiento de esa meta lo que genera proyectos sustentables.
Primera y única empresa argentina en montar dos HRSG para un ciclo combinado de 850 MW con estampa ASME, para la Central Térmica San Martín (TIMBUES).
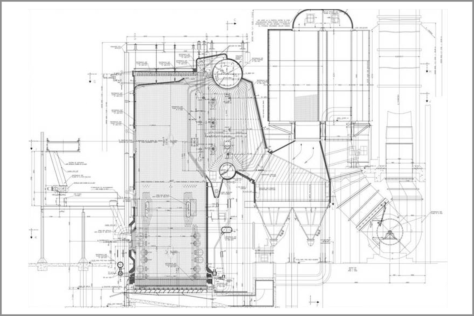
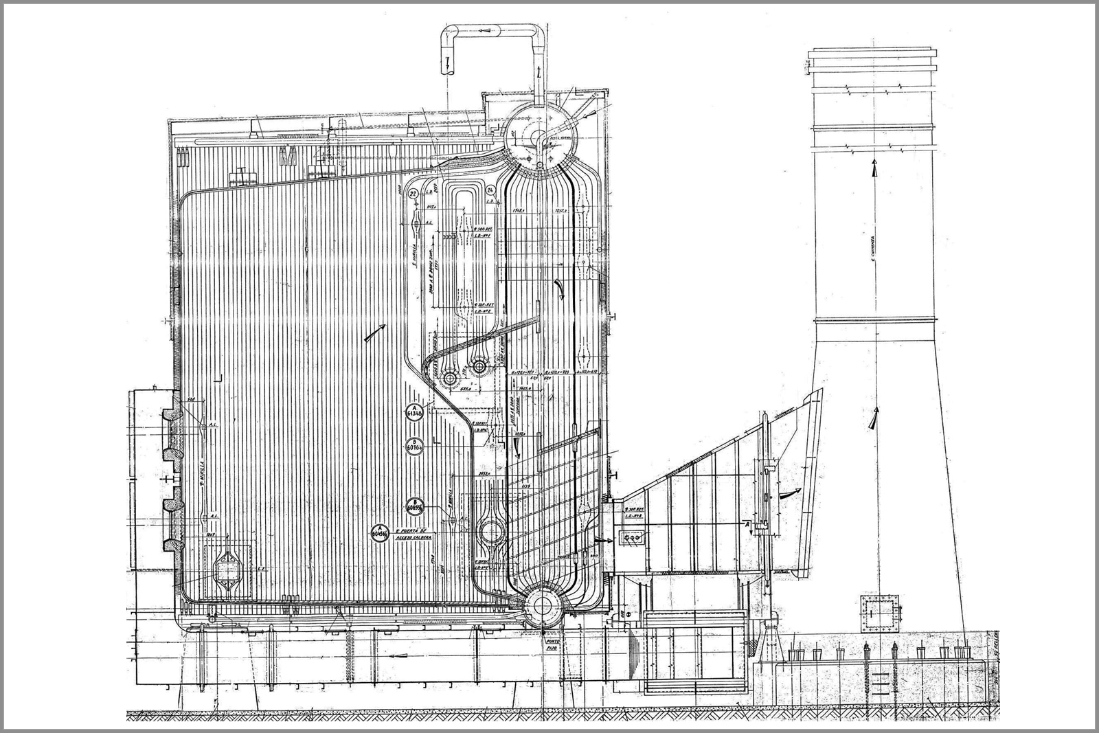
Diseñamos y fabricamos el horno más importante diseñado y fabricado en Argentina, el Horno del Topping III para la Refinería de Luján de Cuyo de YPF.
Diseño, provisión de partes y retubado de calderas de potencia para varios clientes, destacándose particularmente el de la caldera Nº 12 y el de la HRSG NOOTER ERIKSEN de la Central Térmica Mendoza.
Montaje de 8 tanques de almacenamiento de Fuel Oil de 5000 metros cúbicos de capacidad, para el ciclo combinado de 850 MW de la Central Térmica San Martín (TIMBUES).
Provisión y reemplazo de un cabezal y tablero de una antorcha de GLP para YPF en su Planta de San Lorenzo. 2008
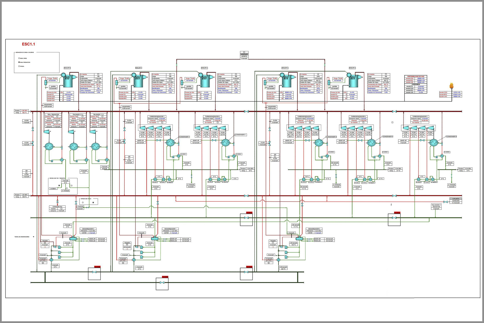
Diseño de la ampliación del ciclo térmico existente de la planta de SIDERAR en San Nicolás, para aumentar la generación de vapor en 400 TN/h, utilizando gases de bajo poder calorífico. Esta modificación permitiría generar aproximadamente 100 MW adicionales.
Diseño y fabricación de skids de combustibles para el Proyecto de 50 ppm de la Refinería de La Plata de YPF.
Diseño y fabricación de un separador trifásico (FWKO) de una capacidad de 12.000 / 14.000 metros cúbicos por día de producto.
Montaje de la primera caldera (SERMATEC) de lecho fluidizado apta para quemar Biomasa de la Argentina, para la firma CARTELLONE.
Reparación integral de un tanque de almacenamiento de Fuel Oil de una capacidad de 10.000 m3.
Ingeniería básica y de detalle para la modificación del sistema de circulación de la caldera BENSON (tipo radiante de un solo paso) de 515 t/h de capacidad en la C.T. Sorrento. Reparación integral con provisión de materiales y partes. Se hace notar que con la modificación realizada, la unidad incrementó sensiblemente su capacidad.
Reparación y mantenimiento del sistema de combustión de las calderas 1, 2 y 6 de la Central Costanera.
Transformación del sistema de atomización mecánica a vapor de los quemadores de las calderas 2 y 6 de la Central Costanera.
Provisión y supervisión de montaje y puesta en marcha de cuatro quemadores tangenciales para la Caldera Nº4 (CE MG VU50) para la Refinería de La Plata de YPF.
Ingeniería, fabricación y montaje para la reparación integral de dos calderas de 165 toneladas por hora, VU 60 MG, de combustión tangencial, para YPF en la Refinería de Lujan de Cuyo.
Ingeniería, fabricación y montaje para reparar integralmente una caldera de 120Ton/h, VU60 MG, para la Refinería de AXION en Campana.
Reingeniería, fabricación y montaje de partes de una caldera de 120 toneladas por hora para quemar biomasa para el Ingenio TABACAL. Se hace notar que con la ingeniería desarrollada se pudo incrementar sensiblemente la capacidad de la unidad y su confiabilidad operativa.
Diseño mecánico y estructural, fabricación (in situ) y montaje de los Reformadores Primario y Secundario de Nitrato de Amonio, para el “Complejo de producción de nitratos” ubicado en El Galpón, Salta, de NITRATOS AUSTIN S.A.
Contamos con un Sistema de Gestión de la Calidad basado en la Norma ISO 9001:2008, auditado y aprobado por empresas como YPF, PETROBRAS, ISOLUX, etc.
MGC es la primera y única empresa argentina en montar dos calderas de recuperación con estampa ASME, para un ciclo combinado Siemens de 850MW para la Central Térmica San Martín (Timbues)
Presentaciones de la compañía en Powerpoint.
Conversión automática de unidades de medida.
Relevamiento de medidas y equivalencias de caños.